Skip to text
Skip to main menu
Products
EMTP®
Informations
Applications
Transient Recovery Voltage(TRV)
Renewable Energy Systems
Microgrid
HVDC
Large-Scale Power Systems
Academic
Become a Partner
Academic Full List
Events
Exhibitions / Conferences
Training
Webinars / eTraining
About us
Contact Us
EMTP History
메뉴
HOME
Products
EMTP®
Informations
Informations
Modules
Informations
Total : 1 / 2
Search
EMTP® Toolbox for Simulink
2025-01-14
Exciters & Governors Library
2025-01-14
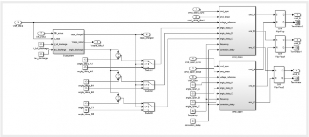
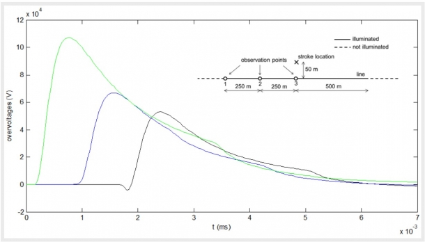
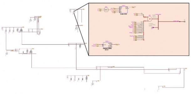
Lightning and switching toolbox
2025-01-14
LIOV Toolbox
2025-01-15
MATLAB® API
2025-01-16
PAMSUITE
2025-01-16
PSS®E Import Tool
2025-01-16
Protection Toolbox
2025-01-16
Renewables Toolbox
2025-01-16
Maintenance
2025-02-06
Requirements
2025-02-06
Version History
2025-01-16
처음페이지
1
2
마지막페이지